1001manuais
YTO Engine Catalog - LR - 4105 - 4108 - 4110
YTO Engine Catalog - LR - 4105 - 4108 - 4110
Não foi possível carregar a disponibilidade de retirada.
YTO Engine Catalog - LR - 4105 - 4108 - 4110
LANGUAGE: ENGLISH
PAGES: 87 pages
FORMAT: PDF
YTO Engine Family LR / 4100 / 4105 / 4108 / 4110
Model: Cylinders Displacement Power (hp) Typical Applications
LR4100 4 x 3.67 L 60–70 Light tractors, generators, forklifts
LR4105 4 x 4.05 L 70–90 Small loaders (XCMG LW160, LW180, LW188), 70–90 hp tractors
LR4108 4 x 4.3 L 90–100 YTO light trucks, medium tractors, Backhoe Loaders
LR4110 4 4.5 L 100–115 Medium-duty trucks, harvesters, large tractors
Loaders and Backhoe Loaders
XCMG LW160 / LW180 / LW188 / ZL18 / ZL20
Laigong, Foton Lovol, XGMA, SEM (1.5–2.5 t models)
Changlin, Lugong, Mountain Raise, SDLG (old models)
🔸 Agricultural Tractors
YTO (Luoyang) – X804, X904, X1004, X1204 series
Foton Lovol – TE-80, TB-90, TB-100 series
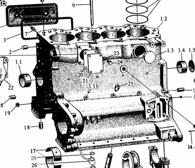
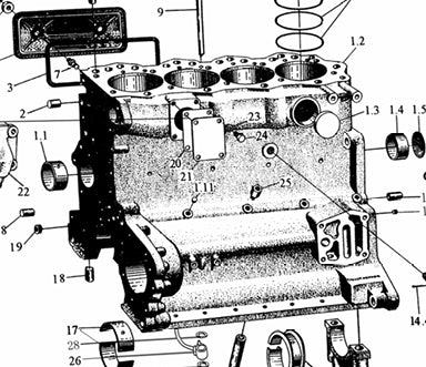
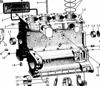
The catalog includes components, parts, and pieces with exploded views and assembly sequences,
accompanied by factory codes, descriptions, uses, and Data.
Does not include schematics or electrical diagrams, assembly instructions, or torque information.
After payment confirmation, the order is sent in PDF format.
The file can be viewed on any device, such as a computer, cell phone, laptop, or PDF reader.
Delivery is fast via email or WhatsApp, with lifetime online access.
Share
