1
/
de
4
1001manuais
Esquema elétrico l200 Triton mitsubishi
Esquema elétrico l200 Triton mitsubishi
Preço normal
R$ 39,00
Preço normal
Preço promocional
R$ 39,00
Preço unitário
/
por
Frete calculado no checkout.
Não foi possível carregar a disponibilidade de retirada.
Esquema elétrico l200 Triton 2008 adint
GRUPO 90
DIAGRAMAS DO CIRCUITO
ÍNDICE
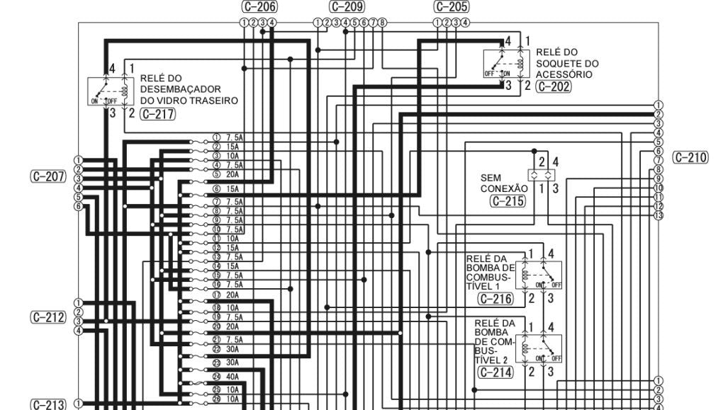
J/B ..............................................................90-3
J/C ..............................................................90-8
J/C ............................................................ 90-8
J/C ........................................................ 90-10
JUNÇÃO CENTRALIZADA ......................90-13
SISTEMA DE DISTRIBUIÇÃO DE
ALIMENTAÇÃO ...............................90-16
SISTEMA DE DISTRIBUIÇÃO DE ALIMENTAÇÃO
........................................................90-16
SISTEMA DE DISTRIBUIÇÃO DE ALIMENTAÇÃO
......................................................90-18
SISTEMA DE PARTIDA ...........................90-20
SISTEMA DE PARTIDA .......................... 90-20
SISTEMA DE PARTIDA M/T A/T .......... 90-21
SISTEMA DE IGNIÇÃO ................90-22
SISTEMA DE CARGA ..............................90-23
SISTEMA DE CARGA ............................ 90-23
SISTEMA DE CARGA .......................... 90-24
SISTEMA DE VELAS DE AQUECIMENTO
.....................................................90-25
SISTEMA DE CONTROLE DO MOTOR ..90-26
SISTEMA DE CONTROLE DO MOTOR . 90-26
SISTEMA DE CONTROLE DO MOTOR 90-29
ELC-4A/T .................................................90-32
FAROL .....................................................90-35
LANTERNA, LUZ DA PLACA E ALARME
SONORO DO MONITOR DE
ILUMINAÇÃO .............................. 90-37
LUZ INTERNA E LUZ DE ILUMINAÇÃO DO
CILINDRO DA CHAVE DE IGNIÇÃO ......90-39
LUZ DE CORTESIA DA PORTA ..............90-41
LUZ DO PORTA-LUVAS ..........................90-42
FAROL DE NEBLINA ..............................90-43
LUZ INDICADORA DE DIREÇÃO E LUZ DE
ADVERTÊNCIA ..................................90-45
LUZ DE FREIO .........................................90-47
LUZ DE MACHA A RÉ .............................90-48
LUZ DE MACHA A RÉ E ............... 90-48
BUZINA ....................................................90-49
MEDIDOR E INDICADOR ........................90-50
MEDIDOR E INDICADOR ....................... 90-50
MEDIDOR E INDICADOR ..................... 90-51
Continua na próxima página
90-2
LUZ DE ADVERTÊNCIA ..........................90-52
LUZ DE ADVERTÊNCIA DO COMBUSTÍVEL, LUZ DE
ADVERTÊNCIA DO FREIO, LUZ DE ADVERTÊNCIA
DA PRESSÃO DO ÓLEO E LUZ DE ADVERTÊNCIA
DO CINTO DE SEGURANÇA ................. 90-52
LUZ DE ADVERTÊNCIA DO COMBUSTÍVEL, LUZ
DE ADVERTÊNCIA DO FILTRO DE COMBUSTÍVEL,
LUZ DE ADVERTÊNCIA DO FREIO, LUZ DE
ADVERTÊNCIA DA PRESSÃO DO ÓLEO E LUZ DE
ADVERTÊNCIA DO CINTO DE SEGURANÇA
...........................................................90-54
VIDROS ELÉTRICOS ...............................90-56
SISTEMA DE TRAVAMENTO CENTRAL DAS
PORTAS ...................................................90-58
CONDICIONADOR DE AR
AUTOMÁTICO ........................... 90-61
CONDICIONADOR DE AR AUTOMÁTICO 90-61
CONDICIONADOR DE AR AUTOMÁTICO
....................................................90-63
LIMPADORES E LAVADOR DO PÁRABRISA ..................................................90-65
ESPELHO EXTERNO COM CONTROLE
ELÉTRICO .................................................... 90-67
DESEMBAÇADOR DO VIDRO
TRASEIRO ................................. 90-68
CD PLAYER E RÁDIO .............................90-69
MEDIDOR DE RV .....................................90-70
ACENDEDOR DE CIGARROS E LUZ DE
ILUMINAÇÃO DO CINZEIRO ............ 90-72
SOQUETE DO ACESSÓRIO ...................90-73
SISTEMA DE PROTEÇÃO SUPLEMENTAR
(SRS) ........................................................90-74
ABS ..........................................................90-75
SISTEMA EASY SELECT 4WD ...............90-77
ALARME SONORO DE ADVERTÊNCIA DE
PORTA ENTREABERTA .........................90-78
CAN ..........................................................90-80
REBOQUE .............................................. 90-81
** Publicado utilizando Astroselling ** ** Publicado utilizando Astroselling **
GRUPO 90
DIAGRAMAS DO CIRCUITO
ÍNDICE
J/B ..............................................................90-3
J/C ..............................................................90-8
J/C ............................................................ 90-8
J/C ........................................................ 90-10
JUNÇÃO CENTRALIZADA ......................90-13
SISTEMA DE DISTRIBUIÇÃO DE
ALIMENTAÇÃO ...............................90-16
SISTEMA DE DISTRIBUIÇÃO DE ALIMENTAÇÃO
........................................................90-16
SISTEMA DE DISTRIBUIÇÃO DE ALIMENTAÇÃO
......................................................90-18
SISTEMA DE PARTIDA ...........................90-20
SISTEMA DE PARTIDA .......................... 90-20
SISTEMA DE PARTIDA M/T A/T .......... 90-21
SISTEMA DE IGNIÇÃO ................90-22
SISTEMA DE CARGA ..............................90-23
SISTEMA DE CARGA ............................ 90-23
SISTEMA DE CARGA .......................... 90-24
SISTEMA DE VELAS DE AQUECIMENTO
.....................................................90-25
SISTEMA DE CONTROLE DO MOTOR ..90-26
SISTEMA DE CONTROLE DO MOTOR . 90-26
SISTEMA DE CONTROLE DO MOTOR 90-29
ELC-4A/T .................................................90-32
FAROL .....................................................90-35
LANTERNA, LUZ DA PLACA E ALARME
SONORO DO MONITOR DE
ILUMINAÇÃO .............................. 90-37
LUZ INTERNA E LUZ DE ILUMINAÇÃO DO
CILINDRO DA CHAVE DE IGNIÇÃO ......90-39
LUZ DE CORTESIA DA PORTA ..............90-41
LUZ DO PORTA-LUVAS ..........................90-42
FAROL DE NEBLINA ..............................90-43
LUZ INDICADORA DE DIREÇÃO E LUZ DE
ADVERTÊNCIA ..................................90-45
LUZ DE FREIO .........................................90-47
LUZ DE MACHA A RÉ .............................90-48
LUZ DE MACHA A RÉ E ............... 90-48
BUZINA ....................................................90-49
MEDIDOR E INDICADOR ........................90-50
MEDIDOR E INDICADOR ....................... 90-50
MEDIDOR E INDICADOR ..................... 90-51
Continua na próxima página
90-2
LUZ DE ADVERTÊNCIA ..........................90-52
LUZ DE ADVERTÊNCIA DO COMBUSTÍVEL, LUZ DE
ADVERTÊNCIA DO FREIO, LUZ DE ADVERTÊNCIA
DA PRESSÃO DO ÓLEO E LUZ DE ADVERTÊNCIA
DO CINTO DE SEGURANÇA ................. 90-52
LUZ DE ADVERTÊNCIA DO COMBUSTÍVEL, LUZ
DE ADVERTÊNCIA DO FILTRO DE COMBUSTÍVEL,
LUZ DE ADVERTÊNCIA DO FREIO, LUZ DE
ADVERTÊNCIA DA PRESSÃO DO ÓLEO E LUZ DE
ADVERTÊNCIA DO CINTO DE SEGURANÇA
...........................................................90-54
VIDROS ELÉTRICOS ...............................90-56
SISTEMA DE TRAVAMENTO CENTRAL DAS
PORTAS ...................................................90-58
CONDICIONADOR DE AR
AUTOMÁTICO ........................... 90-61
CONDICIONADOR DE AR AUTOMÁTICO 90-61
CONDICIONADOR DE AR AUTOMÁTICO
....................................................90-63
LIMPADORES E LAVADOR DO PÁRABRISA ..................................................90-65
ESPELHO EXTERNO COM CONTROLE
ELÉTRICO .................................................... 90-67
DESEMBAÇADOR DO VIDRO
TRASEIRO ................................. 90-68
CD PLAYER E RÁDIO .............................90-69
MEDIDOR DE RV .....................................90-70
ACENDEDOR DE CIGARROS E LUZ DE
ILUMINAÇÃO DO CINZEIRO ............ 90-72
SOQUETE DO ACESSÓRIO ...................90-73
SISTEMA DE PROTEÇÃO SUPLEMENTAR
(SRS) ........................................................90-74
ABS ..........................................................90-75
SISTEMA EASY SELECT 4WD ...............90-77
ALARME SONORO DE ADVERTÊNCIA DE
PORTA ENTREABERTA .........................90-78
CAN ..........................................................90-80
REBOQUE .............................................. 90-81
** Publicado utilizando Astroselling ** ** Publicado utilizando Astroselling **
Share



