1001manuais
Catálago Peças Trator Valmet 62 65 85 86 E 110 ID
Catálago Peças Trator Valmet 62 65 85 86 E 110 ID
Não foi possível carregar a disponibilidade de retirada.
Catálogo Peças Trator Valmet 62 65 85 86 E 110 id
62ID
65ID
85ID
86ID
110ID
português PDF
escaneado do catálogo de peças de época
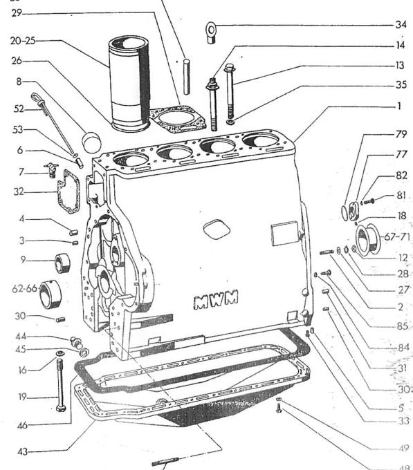
Este Catálogo encontra-se elaborado de modo a permitir a fácil identificação das peças.
Com indicie ordenado, ilustrados, com códigos do fabricante
O Catálogo apresenta todos os componentes, partes e peças,
vista explodida e ordem de montagem, códigos de fábrica,
descrição, uso e data.
Não contem Esquemas ou Diagramas Elétricos.
Não contem Instruções de Montagem ou Informações de Torque.
Após a confirmação do pagamento.
Enviamos imediatamente o pedido em PDF.
Abre em qualquer computador, celular, notebook
leitores de notebook.
Entrega rápida no e-mail ou no Watzap
Acesso on-line Vitalicio
Share






