1001manuais
Catalago de peças 521 D EDIÇAO 2005
Catalago de peças 521 D EDIÇAO 2005
Não foi possível carregar a disponibilidade de retirada.
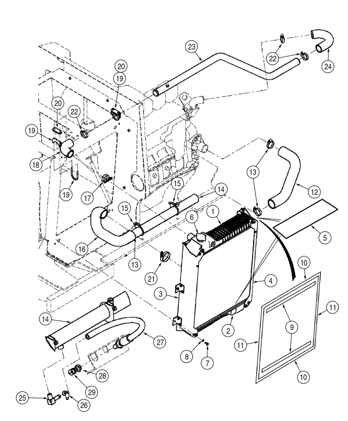
O catálogo de peças 521D é um documento detalhado que serve como um guia para identificar, especificar e requisitar peças de reposição e componentes para o modelo 521D. Este catálogo é essencial para técnicos de manutenção, engenheiros, e operadores de equipamentos, facilitando a correta manutenção e reparo do equipamento. 1. Identificação do Equipamento Modelo: 521D Número de Série: Intervalos de números de série abrangidos pelo catálogo. Descrição Geral: Informações básicas sobre o equipamento, suas funções e aplicações.2. Índice de Peças Organização por Seções: Lista de todas as seções do catálogo, geralmente organizada de maneira sistemática, como por exemplo, de acordo com a estrutura do equipamento (motor, transmissão, sistema hidráulico, etc.).3. Desenhos Explodidos Diagramas Explodidos: Ilustrações detalhadas que mostram a montagem das peças e como elas se encaixam no equipamento. Isso facilita a visualização e identificação de componentes específicos. Referências de Peças: Números de referência que correspondem a cada peça nos diagramas.4. Lista de Peças Números de Peça: Identificadores únicos para cada peça. Descrição das Peças: Descrições detalhadas de cada componente. Quantidades Necessárias: Número de unidades de cada peça necessárias para a montagem ou reparo. Notas Especiais: Informações adicionais relevantes, como especificações técnicas, materiais, ou observações importantes.5. Seções DetalhadasCada seção do catálogo é dedicada a uma parte específica do equipamento: Motor: Componentes do motor, incluindo pistões, anéis, bielas, etc. Transmissão: Peças da transmissão, como engrenagens, eixos, rolamentos, etc. Sistema Hidráulico: Bombas, válvulas, cilindros e mangueiras hidráulicas. Sistema Elétrico: Fiação, baterias, sensores, interruptores, etc. Estrutura: Chassi, cabine, painéis de controle e outros componentes estruturais. Acessórios: Peças adicionais ou opcionais que podem ser usadas com o equipamento. ** Publicado utilizando Astroselling **
Share

